Каталог

Направляющие роликовые белые 350 мм HAFELE арт.423.37.232/423.08.736

Sale
Артикул товара: 33236
Избранные товары

Характеристики

Производитель Hafele
Длина 350 мм
Несущая способность 25 кг
Функция Без доводчика
Выдвижение Частичное

Описание

Роликовые направляющие для выдвижных ящиков.

С самозадвижением, механизмом частичного выдвижения.

Потеря выдвижения: 87мм.

Несущая способность: 25 кг.

Материал:

Сталь, ролики из полиамида.

Поверхность / цвет:

C пластиковым покрытием, цвет белый, RAL 9010.

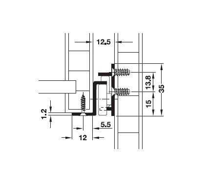
Монтажная длина: 350 мм.

Длина выдвижения: 263 мм.

Монтаж:

На выдвижном ящике, накладной.

Регулировка высоты: через продольные отверстия.

Ширина выдвижного ящика равна ширине корпуса в свету - минус 25 мм.

Контроль качества по стандарту DIN-EN 15 338, контрольный параметр 2.

Крепёжные шурупы, не входят в объём поставки, заказывайте, пожалуйста, отдельно.


Наличие товара в городах
Челябинск 7 к/т
Уфа нет в наличии
Тюмень нет в наличии

Выбрать город
Челябинск
Челябинск, ул. Шарова, 77
+7 (351) 734-97-98 (многоканальный)
Уфа
Республика Башкортостан, Уфа, Базисный проезд, 4
+7 (347) 216-55-40 (многоканальный)
Тюмень
Тюмень, Московский тракт, 136/9
+7 (3452) 66-63-33 (многоканальный) , +7 982 972-27-33