Каталог

САМЕТ Подъем. SOLO-MECH LIFT A1 антрацит, 124.176.1000.7001

Артикул товара: 44944
Избранные товары

Описание

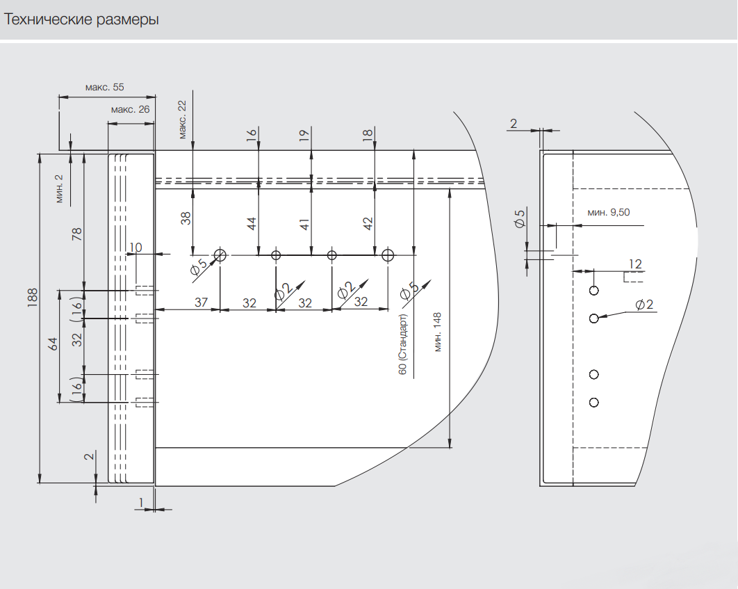
Для фасадов весом от 0,95 до 6,5 кг, шириной до 1200 мм и высотой от 200 до 600 мм
Выбор механизма осуществляется согласно таблицы подбора исходя из веса и высоты фасада. Если вес или высота фасада близки к максимальным, то необходимо выбрать более мощный механизм
Возможность остановки открывания фасада в любом положении
Полностью механическая система
Регулировка фасада в трех плоскостях (3D)
Регулировка усилия в зависимости от веса фасада
Регулировка доводчика (4 уровня)
Возможность установки стопора на угол открывания в 90° (стопор включен в комплект)
Шаблон для установки входит в комплект

Наличие товара в городах
Челябинск 5 к/т
Уфа нет в наличии
Тюмень нет в наличии

Выбрать город
Челябинск
Челябинск, ул. Шарова, 77
+7 (351) 734-97-98 (многоканальный)
Уфа
Республика Башкортостан, Уфа, Базисный проезд, 4
+7 (347) 216-55-40 (многоканальный)
Тюмень
Тюмень, Московский тракт, 136/9
+7 (3452) 66-63-33 (многоканальный) , +7 982 972-27-33